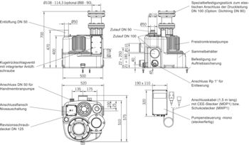
Abwasserhebeanlage Muli-Star MDP1/MWP1
Produktvorteile
- Geringes Gewicht: 31 kg
- Laufruhe durch niedrige Drehzahl
- Freier Durchgang: 57 mm
- Schnelle Montage
- Anschlussfertig
- Einbringung durch Abdeckung Ø 600 möglich
- Verstopfungsarmes Freistromlaufrad
Produktinformationen
- Anwendungsbereiche
- Einfamilienhäuser
- Souterrainwohnungen
- Sammelbehälter aus Polyethylen
- Pumpenaggregat
- Schutzart IP 68
- Schalt- und Warngerät
- Schutzart IP 54
- Mit pneumatischer Niveauschaltung (inkl. Steuerleitung: 5 m)
- Korngröße: 57 mm
- Geprüft gemäß ÖNORM EN 12050‑1
Infobox
Hinweis:
Wir empfehlen, die voraussichtliche Belastung der Hebeanlage im Vorwege durch unsere Anwendungstechnik berechnen zu lassen. Verwenden Sie zur Eingabe Ihrer Daten gerne unsere Auswahlhilfe für Rückstauverschlüsse und Hebeanlagen.
Signalanlage mit GSM-Modul
Passend für
- Alle Fettabscheider
- Fettschichtdicken-Messgerät
- Vorbehälteranlage-duo
- Verfahrenstechnische Anlagen
- Fäkalien-Rückstauautomaten Quatrix-K Typ 3F
- Sinkamat-K (Unterflur) duo
- Muli-Hebeanlagen
- Pumpstationen
- Einbausets
Beschreibung
- Parametrisierbar per App (Android & iOs)
- Netzunabhängiger Alarm per 12V Bleigel-Akku
- Optische und Akustische Alarmmeldung
- Frei konfigurierbare Eingänge
- 6 digitale mit LED- Zustandsanzeige
- 1 analoger
- 1 Alarmausgang 12 V
- Weiterleitung der Alarms per SMS auf Mobiltelefone
- Zur Montage außerhalb des Ex-Bereiches
- Gehäuse: 192 x 150(mit Kabelverschraubung) x 100 mm (BxHxT)
- Schutzarzt: IP54
- Betriebsspannung: 230 V/AC 50/60 Hz
- Gewicht: 2 kg
Kabelverlängerung GSM
Signalanlage
Passend für
- Fäkalien-Rückstauautomaten Quatrix‑K Typ 3F
- Alle Muli Abwasserhebeanlagen
- Vorbehälteranlage-duo
- Muli-Max
- Powerlift–P / Powerlift-P/F-H
- Sinkamat –K/-KD
- Sinkamat-Z
- Sinkamat-K (Unterflur)
- Duo
- LipuLift-P
Beschreibung
- Selbstaufladend
- Mit potentialfreiem Kontakt
- Optisch und akustisch
- Ohne Kontaktgeber
- Zur Montage außerhalb des Ex-Bereiches
- Abmessungen: 175 x 125 x 75 mm B x H x T
- Schutzart: IP65
- Betriebsspannung: 230 V/AC 50/60 Hz
- Steckerfertig mit Kabel: 2 m
- Gewicht: 1,4 kg
Set aus Anschluss- und Überflutungsmodul
Passend für
- Rückstauverschlüsse Triplex-K
- DN 100 – DN 150
- Rückstauverschlüsse Quatrix-K
- Alle Abwasserhebeanlagen
- Alle Abscheider
- Vorbehälteranlage-duo
Beschreibung
- Meldung einer Leckage ausgelöst durch z.B. Rohrbruch
- Für elektrisch leitende Flüssigkeiten
- Optische und akustische Alarmmeldung ca. >85 dB
- Potentialfreier Kontakt zur Störungsweiterleitung
- Schutzart: Steuerung IP 54; Fühler: IP68
- Betriebspannung: 230 V/AC 50/60 Hz
- Steckerfertig: 1,4 m
- Überflutungsmelder mit 10 m Kabel
- Gewicht: 1,1 kg
Signalhupe
Signalhupe
Blitzleuchte
Blitzleuchte
Absperrschieber DN 80 für Druckseite
Rundschnurring
Zulauf-/Absperrschieber DN 100
Zulauf-/Absperrschieber DN 100
Handmembranpumpe R 1½"
Siphon
Signalanlage mit GSM-Modul
Passend für
- Alle Fettabscheider
- Fettschichtdicken-Messgerät
- Vorbehälteranlage-duo
- Verfahrenstechnische Anlagen
- Fäkalien-Rückstauautomaten Quatrix-K Typ 3F
- Sinkamat-K (Unterflur) duo
- Muli-Hebeanlagen
- Pumpstationen
- Einbausets
Beschreibung
- Parametrisierbar per App (Android & iOs)
- Netzunabhängiger Alarm per 12V Bleigel-Akku
- Optische und Akustische Alarmmeldung
- Frei konfigurierbare Eingänge
- 6 digitale mit LED- Zustandsanzeige
- 1 analoger
- 1 Alarmausgang 12 V
- Weiterleitung der Alarms per SMS auf Mobiltelefone
- Zur Montage außerhalb des Ex-Bereiches
- Gehäuse: 192 x 150(mit Kabelverschraubung) x 100 mm (BxHxT)
- Schutzarzt: IP54
- Betriebsspannung: 230 V/AC 50/60 Hz
- Gewicht: 2 kg
Kabelverlängerung GSM
Signalanlage
Passend für
- Fäkalien-Rückstauautomaten Quatrix‑K Typ 3F
- Alle Muli Abwasserhebeanlagen
- Vorbehälteranlage-duo
- Muli-Max
- Powerlift–P / Powerlift-P/F-H
- Sinkamat –K/-KD
- Sinkamat-Z
- Sinkamat-K (Unterflur)
- Duo
- LipuLift-P
Beschreibung
- Selbstaufladend
- Mit potentialfreiem Kontakt
- Optisch und akustisch
- Ohne Kontaktgeber
- Zur Montage außerhalb des Ex-Bereiches
- Abmessungen: 175 x 125 x 75 mm B x H x T
- Schutzart: IP65
- Betriebsspannung: 230 V/AC 50/60 Hz
- Steckerfertig mit Kabel: 2 m
- Gewicht: 1,4 kg
Set aus Anschluss- und Überflutungsmodul
Passend für
- Rückstauverschlüsse Triplex-K
- DN 100 – DN 150
- Rückstauverschlüsse Quatrix-K
- Alle Abwasserhebeanlagen
- Alle Abscheider
- Vorbehälteranlage-duo
Beschreibung
- Meldung einer Leckage ausgelöst durch z.B. Rohrbruch
- Für elektrisch leitende Flüssigkeiten
- Optische und akustische Alarmmeldung ca. >85 dB
- Potentialfreier Kontakt zur Störungsweiterleitung
- Schutzart: Steuerung IP 54; Fühler: IP68
- Betriebspannung: 230 V/AC 50/60 Hz
- Steckerfertig: 1,4 m
- Überflutungsmelder mit 10 m Kabel
- Gewicht: 1,1 kg
Signalhupe
Signalhupe
Blitzleuchte
Blitzleuchte
Absperrschieber DN 80 für Druckseite
Rundschnurring
Zulauf-/Absperrschieber DN 100
Zulauf-/Absperrschieber DN 100
Handmembranpumpe R 1½"
Siphon

















