GM-X Reinigungsrohr – runde Reinigungsöffnung
Produktvorteile
- Gemäß ÖNORM EN 1123
- Stahl verzinkt
- Mit zusätzlicher Innenbeschichtung
- Dichtelement bitte separat bestellen!
Produktinformationen
- Gemäß ÖNORM EN 1123
Infobox
Fragen Sie uns!
Sie benötigen Hilfe bei der Bemessung und Planung Ihres Projektes oder suchen den richtigen Ansprechpartner Ihrer Region?
Ihren richtigen Ansprechpartner finden Sie unter www.aco.at/kontakt.
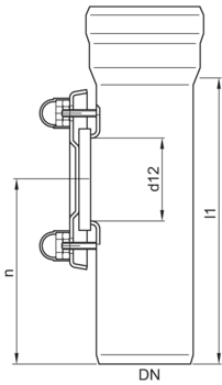
Sicherungsschelle ohne Ausklinkung
Passend für
- GM-X Abflussrohr
- GM-X Befüll- und Entlüftungsleitung für Heizöltanks
- DN 32
Beschreibung
- Sicherung gegen axialen Schub.
- Gewicht: 0,2 kg
Sicherungsschelle ohne Ausklinkung
Passend für
- GM-X Abflussrohr
- GM-X Befüll- und Entlüftungsleitung für Heizöltanks
- DN 40
Beschreibung
- Sicherung gegen axialen Schub.
- Gewicht: 0,2 kg
Sicherungsschelle ohne Ausklinkung
Passend für
- GM-X Abflussrohr
- GM-X Befüll- und Entlüftungsleitung für Heizöltanks
- DN 50
Beschreibung
- Sicherung gegen axialen Schub.
- Gewicht: 0,6 kg
Sicherungsschelle ohne Ausklinkung
Passend für
- GM-X Abflussrohr
- GM-X Befüll- und Entlüftungsleitung für Heizöltanks
- DN 70
Beschreibung
- Sicherung gegen axialen Schub.
- Gewicht: 0,5 kg
Sicherungsschelle ohne Ausklinkung
Passend für
- GM-X Abflussrohr
- GM-X Befüll- und Entlüftungsleitung für Heizöltanks
- DN 80
Beschreibung
- Sicherung gegen axialen Schub.
- Gewicht: 0,6 kg
Sicherungsschelle ohne Ausklinkung
Passend für
- GM-X Abflussrohr
- GM-X Befüll- und Entlüftungsleitung für Heizöltanks
- DN 100
Beschreibung
- Sicherung gegen axialen Schub.
- Gewicht: 1 kg
Sicherungsschelle ohne Ausklinkung
Passend für
- GM-X Abflussrohr
- GM-X Befüll- und Entlüftungsleitung für Heizöltanks
- DN 125
Beschreibung
- Sicherung gegen axialen Schub.
- Gewicht: 1,3 kg
Sicherungsschelle mit Ausklinkung
Passend für
- GM-X Abflussrohr
- DN 32
Beschreibung
- Mit Ausklinkung für Verbindung Rohr/Abzweig
- Gewicht: 0,2 kg
Sicherungsschelle mit Ausklinkung
Passend für
- GM-X Abflussrohr
- DN 40
Beschreibung
- Mit Ausklinkung für Verbindung Rohr/Abzweig
- Gewicht: 0,2 kg
Sicherungsschelle mit Ausklinkung
Passend für
- GM-X Abflussrohr
- DN 50
Beschreibung
- Mit Ausklinkung für Verbindung Rohr/Abzweig
- Gewicht: 0,3 kg
Sicherungsschelle mit Ausklinkung
Passend für
- GM-X Abflussrohr
- DN 70
Beschreibung
- Mit Ausklinkung für Verbindung Rohr/Abzweig
- Gewicht: 0,4 kg
Sicherungsschelle mit Ausklinkung
Passend für
- GM-X Abflussrohr
- DN 80
Beschreibung
- Mit Ausklinkung für Verbindung Rohr/Abzweig
- Gewicht: 0,5 kg
Sicherungsschelle mit Ausklinkung
Passend für
- GM-X Abflussrohr
- DN 100
Beschreibung
- Mit Ausklinkung für Verbindung Rohr/Abzweig
- Gewicht: 0,9 kg
Sicherungsschelle mit Ausklinkung
Passend für
- GM-X Abflussrohr
- DN 125
Beschreibung
- Mit Ausklinkung für Verbindung Rohr/Abzweig
- Gewicht: 1,2 kg
Sicherungsbügel
Passend für
- GM-X Abflussrohr
DN 150
Beschreibung
- Gewicht: 1,8 kg
Sicherungsbügel
Passend für
- GM-X Abflussrohr
DN 200
Beschreibung
- Gewicht: 2,5 kg
Rohrschelle
Passend für
- GM-X Abflussrohr
- GM-X Befüll- und Entlüftungsleitung für Heizöltanks
- DN 40
Beschreibung
- Schlagstiftlänge: 120 mm
- Ohne Schalldämmeinlage
- Gewicht: 0,1 kg
Rohrschelle
Passend für
- GM-X Abflussrohr
- GM-X Befüll- und Entlüftungsleitung für Heizöltanks
- DN 50
Beschreibung
- Schlagstiftlänge: 120 mm
- Ohne Schalldämmeinlage
- Gewicht: 0,1 kg
Rohrschelle
Passend für
- GM-X Abflussrohr
- GM-X Befüll- und Entlüftungsleitung für Heizöltanks
- DN 70
Beschreibung
- Schlagstiftlänge: 120 mm
- Ohne Schalldämmeinlage
- Gewicht: 0,2 kg
Rohrschelle
Passend für
- GM-X Abflussrohr
- GM-X Befüll- und Entlüftungsleitung für Heizöltanks
- DN 80
Beschreibung
- Schlagstiftlänge: 120 mm
- Ohne Schalldämmeinlage
- Gewicht: 0,2 kg
Rohrschelle
Passend für
- GM-X Abflussrohr
- GM-X Befüll- und Entlüftungsleitung für Heizöltanks
- DN 100
Beschreibung
- Schlagstiftlänge: 120 mm
- Ohne Schalldämmeinlage
- Gewicht: 0,2 kg
Rohrschelle
Passend für
- GM-X Abflussrohr
- GM-X Befüll- und Entlüftungsleitung für Heizöltanks
- DN 125
Beschreibung
- Schlagstiftlänge: 120 mm
- Ohne Schalldämmeinlage
- Gewicht: 0,3 kg
Rohrschelle
Passend für
- GM-X Abflussrohr
- GM-X Befüll- und Entlüftungsleitung für Heizöltanks
- DN 150
Beschreibung
- Schlagstiftlänge: 120 mm
- Ohne Schalldämmeinlage
- Gewicht: 0,4 kg
Rohrschelle
Passend für
- GM-X Abflussrohr
- DN 40
- Gewinde: M 8
Beschreibung
- Für Gewindestift oder Stockschraube
- Ohne Schalldämmeinlage
- Gewicht: 0,1 kg
Rohrschelle
Passend für
- GM-X Abflussrohr
- DN 50
- Gewinde: M 8
Beschreibung
- Für Gewindestift oder Stockschraube
- Ohne Schalldämmeinlage
- Gewicht: 0,1 kg
Rohrschelle
Passend für
- GM-X Abflussrohr
- DN 70
- Gewinde: M 8
Beschreibung
- Für Gewindestift oder Stockschraube
- Ohne Schalldämmeinlage
- Gewicht: 0,1 kg
Rohrschelle
Passend für
- GM-X Abflussrohr
- DN 80
- Gewinde: M 10
Beschreibung
- Für Gewindestift oder Stockschraube
- Ohne Schalldämmeinlage
- Gewicht: 0,2 kg
Rohrschelle
Passend für
- GM-X Abflussrohr
- DN 100
- Gewinde: M 10
Beschreibung
- Für Gewindestift oder Stockschraube
- Ohne Schalldämmeinlage
- Gewicht: 0,1 kg
Rohrschelle
Passend für
- GM-X Abflussrohr
- DN 125
- Gewinde: M 12
Beschreibung
- Für Gewindestift oder Stockschraube
- Ohne Schalldämmeinlage
- Gewicht: 0,2 kg
Rohrschelle
Passend für
- GM-X Abflussrohr
- DN 150
- Gewinde: M 12
Beschreibung
- Für Gewindestift oder Stockschraube
- Ohne Schalldämmeinlage
- Gewicht: 0,3 kg
Rohrschelle
Passend für
- GM-X Abflussrohr
DN 200
Gewinde: M 12
Beschreibung
- Für Gewindestift oder Stockschraube
- Ohne Schalldämmeinlage
- Gewicht: 0,4 kg
Brandschutzformteil
Passend für
- GM-X Abfluss- und Verbundrohre
Beschreibung
- Feuerwiderstandsklasse: R 30 – R 90 zur Rohrabschottung
- Länge: 250 mm
- DN 40
- D = 100 mm
Brandschutzformteil
Passend für
- GM-X Abfluss- und Verbundrohre
Beschreibung
- Feuerwiderstandsklasse: R 30 – R 90 zur Rohrabschottung
- Länge: 250 mm
- DN 50
- D = 130 mm
Brandschutzformteil
Passend für
- GM-X Abfluss- und Verbundrohre
Beschreibung
- Feuerwiderstandsklasse: R 30 – R 90 zur Rohrabschottung
- Länge: 250 mm
- DN 70
- D = 150 mm
Brandschutzformteil
Passend für
- GM-X Abfluss- und Verbundrohre
Beschreibung
- Feuerwiderstandsklasse: R 30 – R 90 zur Rohrabschottung
- Länge: 250 mm
- DN 80
- D = 150 mm
Brandschutzformteil
Passend für
- GM-X Abfluss- und Verbundrohre
Beschreibung
- Feuerwiderstandsklasse: R 30 – R 90 zur Rohrabschottung
- Länge: 250 mm
- DN 100
- D = 180 mm
Brandschutzformteil
Passend für
- GM-X Abfluss- und Verbundrohre
Beschreibung
- Feuerwiderstandsklasse: R 30 – R 90 zur Rohrabschottung
- Länge: 250 mm
- DN 125
- D = 220 mm
Brandschutzformteil
Passend für
- GM-X Abfluss- und Verbundrohre
Beschreibung
- Feuerwiderstandsklasse: R 30 – R 90 zur Rohrabschottung
- Länge: 250 mm
- DN 150
- D = 225 mm
Rohrschelle
Passend für
- GM-X Abflussrohr
- DN 40
- Gewinde: M 8
Beschreibung
- Für Gewindestift oder Stockschraube
- Mit Schalldämmeinlage
- Gewicht: 0,1 kg
Rohrschelle
Passend für
- GM-X Abflussrohr
- DN 50
- Gewinde: M 8
Beschreibung
- Für Gewindestift oder Stockschraube
- Mit Schalldämmeinlage
- Gewicht: 0,1 kg
Rohrschelle
Passend für
- GM-X Abflussrohr
- DN 70
- Gewinde: M 8
Beschreibung
- Für Gewindestift oder Stockschraube
- Mit Schalldämmeinlage
- Gewicht: 0,2 kg
Rohrschelle
Passend für
- GM-X Abflussrohr
- DN 80
- Gewinde: M 10
Beschreibung
- Für Gewindestift oder Stockschraube
- Mit Schalldämmeinlage
- Gewicht: 0,2 kg
Rohrschelle
Passend für
- GM-X Abflussrohr
- DN 100
- Gewinde: M 10
Beschreibung
- Für Gewindestift oder Stockschraube
- Mit Schalldämmeinlage
- Gewicht: 0,2 kg
Rohrschelle
Passend für
- GM-X Abflussrohr
- DN 125
- Gewinde: M 12
Beschreibung
- Für Gewindestift oder Stockschraube
- Mit Schalldämmeinlage
- Gewicht: 0,7 kg
Rohrschelle
Passend für
- GM-X Abflussrohr
- DN 150
- Gewinde: M 12
Beschreibung
- Für Gewindestift oder Stockschraube
- Mit Schalldämmeinlage
- Gewicht: 0,5 kg
Rohrschelle
Passend für
- GM-X Abflussrohr
DN 200
Gewinde: M 12
Beschreibung
- Für Gewindestift oder Stockschraube
- Mit Schalldämmeinlage
- Gewicht: 0,7 kg
GM-X Gleitmittel
Passend für
- GM-X Abflussrohr
- GM-X Verbundrohr
Beschreibung
- Doseninhalt: 1 Kg
- Gewicht: 1,1 kg
Sicherungsschelle ohne Ausklinkung
Passend für
- GM-X Abflussrohr
- GM-X Befüll- und Entlüftungsleitung für Heizöltanks
- DN 32
Beschreibung
- Sicherung gegen axialen Schub.
- Gewicht: 0,2 kg
Sicherungsschelle ohne Ausklinkung
Passend für
- GM-X Abflussrohr
- GM-X Befüll- und Entlüftungsleitung für Heizöltanks
- DN 40
Beschreibung
- Sicherung gegen axialen Schub.
- Gewicht: 0,2 kg
Sicherungsschelle ohne Ausklinkung
Passend für
- GM-X Abflussrohr
- GM-X Befüll- und Entlüftungsleitung für Heizöltanks
- DN 50
Beschreibung
- Sicherung gegen axialen Schub.
- Gewicht: 0,6 kg
Sicherungsschelle ohne Ausklinkung
Passend für
- GM-X Abflussrohr
- GM-X Befüll- und Entlüftungsleitung für Heizöltanks
- DN 70
Beschreibung
- Sicherung gegen axialen Schub.
- Gewicht: 0,5 kg
Sicherungsschelle ohne Ausklinkung
Passend für
- GM-X Abflussrohr
- GM-X Befüll- und Entlüftungsleitung für Heizöltanks
- DN 80
Beschreibung
- Sicherung gegen axialen Schub.
- Gewicht: 0,6 kg
Sicherungsschelle ohne Ausklinkung
Passend für
- GM-X Abflussrohr
- GM-X Befüll- und Entlüftungsleitung für Heizöltanks
- DN 100
Beschreibung
- Sicherung gegen axialen Schub.
- Gewicht: 1 kg
Sicherungsschelle ohne Ausklinkung
Passend für
- GM-X Abflussrohr
- GM-X Befüll- und Entlüftungsleitung für Heizöltanks
- DN 125
Beschreibung
- Sicherung gegen axialen Schub.
- Gewicht: 1,3 kg
Sicherungsschelle mit Ausklinkung
Passend für
- GM-X Abflussrohr
- DN 32
Beschreibung
- Mit Ausklinkung für Verbindung Rohr/Abzweig
- Gewicht: 0,2 kg
Sicherungsschelle mit Ausklinkung
Passend für
- GM-X Abflussrohr
- DN 40
Beschreibung
- Mit Ausklinkung für Verbindung Rohr/Abzweig
- Gewicht: 0,2 kg
Sicherungsschelle mit Ausklinkung
Passend für
- GM-X Abflussrohr
- DN 50
Beschreibung
- Mit Ausklinkung für Verbindung Rohr/Abzweig
- Gewicht: 0,3 kg
Sicherungsschelle mit Ausklinkung
Passend für
- GM-X Abflussrohr
- DN 70
Beschreibung
- Mit Ausklinkung für Verbindung Rohr/Abzweig
- Gewicht: 0,4 kg
Sicherungsschelle mit Ausklinkung
Passend für
- GM-X Abflussrohr
- DN 80
Beschreibung
- Mit Ausklinkung für Verbindung Rohr/Abzweig
- Gewicht: 0,5 kg
Sicherungsschelle mit Ausklinkung
Passend für
- GM-X Abflussrohr
- DN 100
Beschreibung
- Mit Ausklinkung für Verbindung Rohr/Abzweig
- Gewicht: 0,9 kg
Sicherungsschelle mit Ausklinkung
Passend für
- GM-X Abflussrohr
- DN 125
Beschreibung
- Mit Ausklinkung für Verbindung Rohr/Abzweig
- Gewicht: 1,2 kg
Sicherungsbügel
Passend für
- GM-X Abflussrohr
DN 150
Beschreibung
- Gewicht: 1,8 kg
Sicherungsbügel
Passend für
- GM-X Abflussrohr
DN 200
Beschreibung
- Gewicht: 2,5 kg
Rohrschelle
Passend für
- GM-X Abflussrohr
- GM-X Befüll- und Entlüftungsleitung für Heizöltanks
- DN 40
Beschreibung
- Schlagstiftlänge: 120 mm
- Ohne Schalldämmeinlage
- Gewicht: 0,1 kg
Rohrschelle
Passend für
- GM-X Abflussrohr
- GM-X Befüll- und Entlüftungsleitung für Heizöltanks
- DN 50
Beschreibung
- Schlagstiftlänge: 120 mm
- Ohne Schalldämmeinlage
- Gewicht: 0,1 kg
Rohrschelle
Passend für
- GM-X Abflussrohr
- GM-X Befüll- und Entlüftungsleitung für Heizöltanks
- DN 70
Beschreibung
- Schlagstiftlänge: 120 mm
- Ohne Schalldämmeinlage
- Gewicht: 0,2 kg
Rohrschelle
Passend für
- GM-X Abflussrohr
- GM-X Befüll- und Entlüftungsleitung für Heizöltanks
- DN 80
Beschreibung
- Schlagstiftlänge: 120 mm
- Ohne Schalldämmeinlage
- Gewicht: 0,2 kg
Rohrschelle
Passend für
- GM-X Abflussrohr
- GM-X Befüll- und Entlüftungsleitung für Heizöltanks
- DN 100
Beschreibung
- Schlagstiftlänge: 120 mm
- Ohne Schalldämmeinlage
- Gewicht: 0,2 kg
Rohrschelle
Passend für
- GM-X Abflussrohr
- GM-X Befüll- und Entlüftungsleitung für Heizöltanks
- DN 125
Beschreibung
- Schlagstiftlänge: 120 mm
- Ohne Schalldämmeinlage
- Gewicht: 0,3 kg
Rohrschelle
Passend für
- GM-X Abflussrohr
- GM-X Befüll- und Entlüftungsleitung für Heizöltanks
- DN 150
Beschreibung
- Schlagstiftlänge: 120 mm
- Ohne Schalldämmeinlage
- Gewicht: 0,4 kg
Rohrschelle
Passend für
- GM-X Abflussrohr
- DN 40
- Gewinde: M 8
Beschreibung
- Für Gewindestift oder Stockschraube
- Ohne Schalldämmeinlage
- Gewicht: 0,1 kg
Rohrschelle
Passend für
- GM-X Abflussrohr
- DN 50
- Gewinde: M 8
Beschreibung
- Für Gewindestift oder Stockschraube
- Ohne Schalldämmeinlage
- Gewicht: 0,1 kg
Rohrschelle
Passend für
- GM-X Abflussrohr
- DN 70
- Gewinde: M 8
Beschreibung
- Für Gewindestift oder Stockschraube
- Ohne Schalldämmeinlage
- Gewicht: 0,1 kg
Rohrschelle
Passend für
- GM-X Abflussrohr
- DN 80
- Gewinde: M 10
Beschreibung
- Für Gewindestift oder Stockschraube
- Ohne Schalldämmeinlage
- Gewicht: 0,2 kg
Rohrschelle
Passend für
- GM-X Abflussrohr
- DN 100
- Gewinde: M 10
Beschreibung
- Für Gewindestift oder Stockschraube
- Ohne Schalldämmeinlage
- Gewicht: 0,1 kg
Rohrschelle
Passend für
- GM-X Abflussrohr
- DN 125
- Gewinde: M 12
Beschreibung
- Für Gewindestift oder Stockschraube
- Ohne Schalldämmeinlage
- Gewicht: 0,2 kg
Rohrschelle
Passend für
- GM-X Abflussrohr
- DN 150
- Gewinde: M 12
Beschreibung
- Für Gewindestift oder Stockschraube
- Ohne Schalldämmeinlage
- Gewicht: 0,3 kg
Rohrschelle
Passend für
- GM-X Abflussrohr
DN 200
Gewinde: M 12
Beschreibung
- Für Gewindestift oder Stockschraube
- Ohne Schalldämmeinlage
- Gewicht: 0,4 kg
Brandschutzformteil
Passend für
- GM-X Abfluss- und Verbundrohre
Beschreibung
- Feuerwiderstandsklasse: R 30 – R 90 zur Rohrabschottung
- Länge: 250 mm
- DN 40
- D = 100 mm
Brandschutzformteil
Passend für
- GM-X Abfluss- und Verbundrohre
Beschreibung
- Feuerwiderstandsklasse: R 30 – R 90 zur Rohrabschottung
- Länge: 250 mm
- DN 50
- D = 130 mm
Brandschutzformteil
Passend für
- GM-X Abfluss- und Verbundrohre
Beschreibung
- Feuerwiderstandsklasse: R 30 – R 90 zur Rohrabschottung
- Länge: 250 mm
- DN 70
- D = 150 mm
Brandschutzformteil
Passend für
- GM-X Abfluss- und Verbundrohre
Beschreibung
- Feuerwiderstandsklasse: R 30 – R 90 zur Rohrabschottung
- Länge: 250 mm
- DN 80
- D = 150 mm
Brandschutzformteil
Passend für
- GM-X Abfluss- und Verbundrohre
Beschreibung
- Feuerwiderstandsklasse: R 30 – R 90 zur Rohrabschottung
- Länge: 250 mm
- DN 100
- D = 180 mm
Brandschutzformteil
Passend für
- GM-X Abfluss- und Verbundrohre
Beschreibung
- Feuerwiderstandsklasse: R 30 – R 90 zur Rohrabschottung
- Länge: 250 mm
- DN 125
- D = 220 mm
Brandschutzformteil
Passend für
- GM-X Abfluss- und Verbundrohre
Beschreibung
- Feuerwiderstandsklasse: R 30 – R 90 zur Rohrabschottung
- Länge: 250 mm
- DN 150
- D = 225 mm
Rohrschelle
Passend für
- GM-X Abflussrohr
- DN 40
- Gewinde: M 8
Beschreibung
- Für Gewindestift oder Stockschraube
- Mit Schalldämmeinlage
- Gewicht: 0,1 kg
Rohrschelle
Passend für
- GM-X Abflussrohr
- DN 50
- Gewinde: M 8
Beschreibung
- Für Gewindestift oder Stockschraube
- Mit Schalldämmeinlage
- Gewicht: 0,1 kg
Rohrschelle
Passend für
- GM-X Abflussrohr
- DN 70
- Gewinde: M 8
Beschreibung
- Für Gewindestift oder Stockschraube
- Mit Schalldämmeinlage
- Gewicht: 0,2 kg
Rohrschelle
Passend für
- GM-X Abflussrohr
- DN 80
- Gewinde: M 10
Beschreibung
- Für Gewindestift oder Stockschraube
- Mit Schalldämmeinlage
- Gewicht: 0,2 kg
Rohrschelle
Passend für
- GM-X Abflussrohr
- DN 100
- Gewinde: M 10
Beschreibung
- Für Gewindestift oder Stockschraube
- Mit Schalldämmeinlage
- Gewicht: 0,2 kg
Rohrschelle
Passend für
- GM-X Abflussrohr
- DN 125
- Gewinde: M 12
Beschreibung
- Für Gewindestift oder Stockschraube
- Mit Schalldämmeinlage
- Gewicht: 0,7 kg
Rohrschelle
Passend für
- GM-X Abflussrohr
- DN 150
- Gewinde: M 12
Beschreibung
- Für Gewindestift oder Stockschraube
- Mit Schalldämmeinlage
- Gewicht: 0,5 kg
Rohrschelle
Passend für
- GM-X Abflussrohr
DN 200
Gewinde: M 12
Beschreibung
- Für Gewindestift oder Stockschraube
- Mit Schalldämmeinlage
- Gewicht: 0,7 kg
GM-X Gleitmittel
Passend für
- GM-X Abflussrohr
- GM-X Verbundrohr
Beschreibung
- Doseninhalt: 1 Kg
- Gewicht: 1,1 kg



