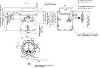
Muli-Flex – Behälter zur Unterflurinstallation
Produktvorteile
- Geprüft gemäß ÖNORM EN 12050-1
- Kann je nach Aufsatzstück für fäkalienfreies und fäkalienhaltiges Abwasser eingesetzt werden
- Überwasserpumpen-Kupplungsautomatik für werkzeuglose Montage und Demontage
- Behälter-Gesamtvolumen: 390 l
- Mauerkragen gegen drückendes Grundwasser (Zubehör)
Produktinformationen
- Anwendungsbereiche:
- Mehrfamilienhäuser
- Bürogebäude
- Industriegebäude
- Waschküchen
- Parkhäuser
- Technikräume
- Mono- oder duo- Ausführung
- Für den Einbau in die Bodenplatte
- Sammelbehälter aus Polyethylen
- Große Revisionsöffnung zur einfachen Wartung: Ø 480 mm
- Behälterabmessungen (DxH): Ø 800 x 1000 mm
- Gesamteinbautiefe mit PE- Aufsatzstück: 1070 – 1205 mm
Schaltgerät ACO Multi Control Duo Advanced inkl. Staudruckglocke
Passend für
- Muli-Max
- Duo-Anlage
- Powerlift–P / Powerlift-P/F-H
- Muli-Flex
Beschreibung
- Für Pumpen bis 5,5 kW
- Steckerfertig mit 1,5 m Anschlusskabel
- Betriebsspannung: 400 V
- Frequenz: 50/60 Hz
- Steuerspannung: 230 V/AC
- Leistungsaufnahme im Ruhebetrieb: max. 10 VA
- Temperaturbereich: ‑20 bis +60 °C
- Schutzart IP 54
- CEE 16-Stecker mit Phasenwender
- Umrüstbar auf CEE 32 mit Art.Nr. 0150.79.75 (5G4 mit CEE 32 Stecker)
- 20 m pneumatischer Steuerleitung 8 x 6 mm
- Gewicht: 5,4 kg
Schaltgerät ACO Multi Control Duo Advanced ohne Staudruckglocke
Passend für
- Muli-Max
- Duo
- Powerlift–P / Powerlift-P/F-H
- Muli-Flex
- Muli-Nova DDP
- Muli-Nova x.1 / x.2
Beschreibung
- Für Pumpen bis 5,5 kW
- Steckerfertig mit 1,5 m Anschlusskabel
- Betriebsspannung: 400 V
- Frequenz: 50/60 Hz
- Steuerspannung: 230 V/AC
- Leistungsaufnahme im Ruhebetrieb: max. 10 VA
- Temperaturbereich: ‑20 bis +60 °C
- Schutzart IP 54
- CEE 16-Stecker mit Phasenwender
- Umrüstbar auf CEE 32 mit Art.Nr. 0150.79.75 (5G4 mit CEE 32 Stecker)
- Ohne Steuerleitung
- Gewicht: 5,4 kg
Druckaufnehmer
Passend für
- Schaltgerät ACO Multi-Control
- Mono
- Duo
- LipuLift-P/LipuLift-PF
- Powerlift-P/F-H
- Muli-Flex
Beschreibung
- Aufnahme 4 – 20 mA
- Zur sicheren Schaltung Leitungslängen > 12 m
- 0 – 200 mbar
- Bei Einsatz in fäkalienhaltigen Abwässern ist zusätzlich die Ex-Barriere zu verwenden.
- Mit Kabel zur Installation: 20 m
- Gewicht: 2 kg
Sicherheitsbarriere
Lufteinperlung
Klebeflansch zu Muli-Flex
Abdichtungsflansch
Druckleitungsset AD 63 (ID 55)
Signalanlage mit GSM-Modul
Passend für
- Alle Fettabscheider
- Fettschichtdicken-Messgerät
- Vorbehälteranlage-duo
- Verfahrenstechnische Anlagen
- Fäkalien-Rückstauautomaten Quatrix-K Typ 3F
- Sinkamat-K (Unterflur) duo
- Muli-Hebeanlagen
- Pumpstationen
- Einbausets
Beschreibung
- Parametrisierbar per App (Android & iOs)
- Netzunabhängiger Alarm per 12V Bleigel-Akku
- Optische und Akustische Alarmmeldung
- Frei konfigurierbare Eingänge
- 6 digitale mit LED- Zustandsanzeige
- 1 analoger
- 1 Alarmausgang 12 V
- Weiterleitung der Alarms per SMS auf Mobiltelefone
- Zur Montage außerhalb des Ex-Bereiches
- Gehäuse: 192 x 150(mit Kabelverschraubung) x 100 mm (BxHxT)
- Schutzarzt: IP54
- Betriebsspannung: 230 V/AC 50/60 Hz
- Gewicht: 2 kg
Kabelverlängerung GSM
Kabeldurchführung DN 100
Passend für
- LipuMax-P-B/D und LipuLift-P/PF-B/D (In Verbindung mit einer ACO Fettschichtmessung)
- LipuMax-P/PH-B/D
- Muli-Flex (Unterflurinstallation)
Beschreibung
- Mit acht Wechseleinsätze (1x 5mm, 2x 7mm, 2x 10,5mm, 1x 14mm, 2x 16mm)
- Dient zur einfachen und schnellen Abdichtung
- Abdichtend gegen drückendes Wasser (ca. 0,5 bar)
- Gewicht: 1 kg
Signalanlage
Passend für
- Fäkalien-Rückstauautomaten Quatrix‑K Typ 3F
- Alle Muli Abwasserhebeanlagen
- Vorbehälteranlage-duo
- Muli-Max
- Powerlift–P / Powerlift-P/F-H
- Sinkamat –K/-KD
- Sinkamat-Z
- Sinkamat-K (Unterflur)
- Duo
- LipuLift-P
Beschreibung
- Selbstaufladend
- Mit potentialfreiem Kontakt
- Optisch und akustisch
- Ohne Kontaktgeber
- Zur Montage außerhalb des Ex-Bereiches
- Abmessungen: 175 x 125 x 75 mm B x H x T
- Schutzart: IP65
- Betriebsspannung: 230 V/AC 50/60 Hz
- Steckerfertig mit Kabel: 2 m
- Gewicht: 1,4 kg
Bohranschlussdichtung DN 110
Set aus Anschluss- und Überflutungsmodul
Passend für
- Rückstauverschlüsse Triplex-K
- DN 100 – DN 150
- Rückstauverschlüsse Quatrix-K
- Alle Abwasserhebeanlagen
- Alle Abscheider
- Vorbehälteranlage-duo
Beschreibung
- Meldung einer Leckage ausgelöst durch z.B. Rohrbruch
- Für elektrisch leitende Flüssigkeiten
- Optische und akustische Alarmmeldung ca. >85 dB
- Potentialfreier Kontakt zur Störungsweiterleitung
- Schutzart: Steuerung IP 54; Fühler: IP68
- Betriebspannung: 230 V/AC 50/60 Hz
- Steckerfertig: 1,4 m
- Überflutungsmelder mit 10 m Kabel
- Gewicht: 1,1 kg
Schwimmerschalter
Passend für
- Für fäkalienhaltiges sowie fäkalienfreies Abwasser
- MultiControl- Steuerungen als Schwimmerschalter
- MultiControl- Steuerungen als zusätzl. Hochalarmschwimmer
Beschreibung
- Gehäuse: PRE-ELEC PP
- Schutzart: IP68
- Schaltspannung: 4-40 V
- Schaltstrom: 1-100 mA
- Anschlusskabel: 10m
- Schaltwinkel: 10°
- Schutzklasse: II 1G Ex ia IIC T6 Ga
Kontaktgeber
Passend für
- Signalanlage 0150.26.73
- Für fäkalienfreies Abwasserwasser
- Tauchpumpen "Sat"
- Hochalarmschwimmer für MultiControl- Steuerungen
Beschreibung
- Für separate Signalanlage/potentialfreie Störmeldung Niveau
- Gehäuse aus Kunststoff, Werkstoff Polypropylen
- Anschlusskabel: 10 m
- Schutzart: IP 68/2 bar
- Schaltleistung: 5 A/250 V
- Schaltwinkel: 10°
- Gewicht: 0,5 kg
Signalhupe
Signalhupe
Blitzleuchte
Blitzleuchte
Handmembranpumpe R 1½"
Klemmverschraubung 50 x 63 mm
Siphon
Siphon
Schaltgerät ACO Multi Control Duo Advanced inkl. Staudruckglocke
Passend für
- Muli-Max
- Duo-Anlage
- Powerlift–P / Powerlift-P/F-H
- Muli-Flex
Beschreibung
- Für Pumpen bis 5,5 kW
- Steckerfertig mit 1,5 m Anschlusskabel
- Betriebsspannung: 400 V
- Frequenz: 50/60 Hz
- Steuerspannung: 230 V/AC
- Leistungsaufnahme im Ruhebetrieb: max. 10 VA
- Temperaturbereich: ‑20 bis +60 °C
- Schutzart IP 54
- CEE 16-Stecker mit Phasenwender
- Umrüstbar auf CEE 32 mit Art.Nr. 0150.79.75 (5G4 mit CEE 32 Stecker)
- 20 m pneumatischer Steuerleitung 8 x 6 mm
- Gewicht: 5,4 kg
Schaltgerät ACO Multi Control Duo Advanced ohne Staudruckglocke
Passend für
- Muli-Max
- Duo
- Powerlift–P / Powerlift-P/F-H
- Muli-Flex
- Muli-Nova DDP
- Muli-Nova x.1 / x.2
Beschreibung
- Für Pumpen bis 5,5 kW
- Steckerfertig mit 1,5 m Anschlusskabel
- Betriebsspannung: 400 V
- Frequenz: 50/60 Hz
- Steuerspannung: 230 V/AC
- Leistungsaufnahme im Ruhebetrieb: max. 10 VA
- Temperaturbereich: ‑20 bis +60 °C
- Schutzart IP 54
- CEE 16-Stecker mit Phasenwender
- Umrüstbar auf CEE 32 mit Art.Nr. 0150.79.75 (5G4 mit CEE 32 Stecker)
- Ohne Steuerleitung
- Gewicht: 5,4 kg
Druckaufnehmer
Passend für
- Schaltgerät ACO Multi-Control
- Mono
- Duo
- LipuLift-P/LipuLift-PF
- Powerlift-P/F-H
- Muli-Flex
Beschreibung
- Aufnahme 4 – 20 mA
- Zur sicheren Schaltung Leitungslängen > 12 m
- 0 – 200 mbar
- Bei Einsatz in fäkalienhaltigen Abwässern ist zusätzlich die Ex-Barriere zu verwenden.
- Mit Kabel zur Installation: 20 m
- Gewicht: 2 kg
Sicherheitsbarriere
Lufteinperlung
Klebeflansch zu Muli-Flex
Abdichtungsflansch
Druckleitungsset AD 63 (ID 55)
Signalanlage mit GSM-Modul
Passend für
- Alle Fettabscheider
- Fettschichtdicken-Messgerät
- Vorbehälteranlage-duo
- Verfahrenstechnische Anlagen
- Fäkalien-Rückstauautomaten Quatrix-K Typ 3F
- Sinkamat-K (Unterflur) duo
- Muli-Hebeanlagen
- Pumpstationen
- Einbausets
Beschreibung
- Parametrisierbar per App (Android & iOs)
- Netzunabhängiger Alarm per 12V Bleigel-Akku
- Optische und Akustische Alarmmeldung
- Frei konfigurierbare Eingänge
- 6 digitale mit LED- Zustandsanzeige
- 1 analoger
- 1 Alarmausgang 12 V
- Weiterleitung der Alarms per SMS auf Mobiltelefone
- Zur Montage außerhalb des Ex-Bereiches
- Gehäuse: 192 x 150(mit Kabelverschraubung) x 100 mm (BxHxT)
- Schutzarzt: IP54
- Betriebsspannung: 230 V/AC 50/60 Hz
- Gewicht: 2 kg
Kabelverlängerung GSM
Kabeldurchführung DN 100
Passend für
- LipuMax-P-B/D und LipuLift-P/PF-B/D (In Verbindung mit einer ACO Fettschichtmessung)
- LipuMax-P/PH-B/D
- Muli-Flex (Unterflurinstallation)
Beschreibung
- Mit acht Wechseleinsätze (1x 5mm, 2x 7mm, 2x 10,5mm, 1x 14mm, 2x 16mm)
- Dient zur einfachen und schnellen Abdichtung
- Abdichtend gegen drückendes Wasser (ca. 0,5 bar)
- Gewicht: 1 kg
Signalanlage
Passend für
- Fäkalien-Rückstauautomaten Quatrix‑K Typ 3F
- Alle Muli Abwasserhebeanlagen
- Vorbehälteranlage-duo
- Muli-Max
- Powerlift–P / Powerlift-P/F-H
- Sinkamat –K/-KD
- Sinkamat-Z
- Sinkamat-K (Unterflur)
- Duo
- LipuLift-P
Beschreibung
- Selbstaufladend
- Mit potentialfreiem Kontakt
- Optisch und akustisch
- Ohne Kontaktgeber
- Zur Montage außerhalb des Ex-Bereiches
- Abmessungen: 175 x 125 x 75 mm B x H x T
- Schutzart: IP65
- Betriebsspannung: 230 V/AC 50/60 Hz
- Steckerfertig mit Kabel: 2 m
- Gewicht: 1,4 kg
Bohranschlussdichtung DN 110
Set aus Anschluss- und Überflutungsmodul
Passend für
- Rückstauverschlüsse Triplex-K
- DN 100 – DN 150
- Rückstauverschlüsse Quatrix-K
- Alle Abwasserhebeanlagen
- Alle Abscheider
- Vorbehälteranlage-duo
Beschreibung
- Meldung einer Leckage ausgelöst durch z.B. Rohrbruch
- Für elektrisch leitende Flüssigkeiten
- Optische und akustische Alarmmeldung ca. >85 dB
- Potentialfreier Kontakt zur Störungsweiterleitung
- Schutzart: Steuerung IP 54; Fühler: IP68
- Betriebspannung: 230 V/AC 50/60 Hz
- Steckerfertig: 1,4 m
- Überflutungsmelder mit 10 m Kabel
- Gewicht: 1,1 kg
Schwimmerschalter
Passend für
- Für fäkalienhaltiges sowie fäkalienfreies Abwasser
- MultiControl- Steuerungen als Schwimmerschalter
- MultiControl- Steuerungen als zusätzl. Hochalarmschwimmer
Beschreibung
- Gehäuse: PRE-ELEC PP
- Schutzart: IP68
- Schaltspannung: 4-40 V
- Schaltstrom: 1-100 mA
- Anschlusskabel: 10m
- Schaltwinkel: 10°
- Schutzklasse: II 1G Ex ia IIC T6 Ga
Kontaktgeber
Passend für
- Signalanlage 0150.26.73
- Für fäkalienfreies Abwasserwasser
- Tauchpumpen "Sat"
- Hochalarmschwimmer für MultiControl- Steuerungen
Beschreibung
- Für separate Signalanlage/potentialfreie Störmeldung Niveau
- Gehäuse aus Kunststoff, Werkstoff Polypropylen
- Anschlusskabel: 10 m
- Schutzart: IP 68/2 bar
- Schaltleistung: 5 A/250 V
- Schaltwinkel: 10°
- Gewicht: 0,5 kg
Signalhupe
Signalhupe
Blitzleuchte
Blitzleuchte
Handmembranpumpe R 1½"
Klemmverschraubung 50 x 63 mm
Siphon
Siphon

































